(杰科温控)2010-0791视频黄片软件中文说明书
时间:2010-09-02 浏览量:652550 来源:91视频免费观看" target="_blank">91视频免费观看 编辑:admin
目 录
一、安装要求……………………………………………………………………………………………………..1
二、开机准备……………………………………………………………………………………………………..1
三、操作顺序……………………………………………………………………………………………………..2
四、面板示意图及操作说明…………………………………………………………………………………….2
五、修改参数操作说明………………………………………………………………………………………...3
六、参数设置表…………………………………………………………………………………………………..5
七、故障代码说明………………………………………………………………………………………………..6
八、操作注意事项………………………………………………………………………………………………..6
九、维护与保养…………………………………………………………………………………………………..8
十、故障排除方法………………………………………………………………………………………………..9
十一、电器连接示意图…………………………………………………………………………………………10
十二、风冷式冷冻机内部结构示图…………………………………… ……………………………………11
十三、水冷式冷冻机内部结构示意图………………………………… …………………………………..12
十四、风冷式91视频黄片软件安装示意图……………………………………………………………………………13
十五、水冷式91视频黄片软件安装示意图……………………………………………………………………………14
感谢您选用了“91视频免费观看”冷冻机,为了您能正确高效的使用,请详细阅读说明书。
一、安装要求:
1、冷冻机安装前请选择地基平稳,四周空旷,畅通及避免腐蚀、污染、日晒、雨淋,方便安装维修之场所;
2、根据冷冻机制冷量选用匹配的冷却水塔。91视频黄片软件管路配管,请根据机身喉尺寸进行安装,切勿将冷却水管尺寸缩小,这样会引起高压超载,影响制冷效果及增加耗电量;
3、风冷式冷冻机请必须安装在距离墙壁一米以上空间位置,以免造成散热不良引起高压超载影响制冷效果及增加耗电量。
注:(1)电源负载及接地部分,请依照相关法规施工!
(2)新安装的冷冻机冷冻水管必须包保温层!
二、开机准备
首次运转冷冻机必须先检查下列事项是否正确:
1、电源电压及相数是否符合型号规格,请对照铭牌所示。[注3HP以上冷冻机
电源是采用三相五线,电压380~415V/50HZ电源相位线分别为R、S、T,中性线(零线)N,接地导线为双色线用E表示;机内设有错缺相保护器,当在第一次开机时出现不亮灯或亮红灯并显示故障代码及警号时,可将相线任意两相对换接妥后合上开关即可;3HP以下冷冻机采用单相电源,电压220-240V/50HZ电源相位线为L,中线为N,地线为E。]
2、冷冻水喉及冷却循环水喉是否接通管路,并保持阀门打开;(请参考安装示意图)
3、先将冷冻水箱加满水或其它冷冻介质后方可启动水泵;(注:请根据要求来配用冷冻介质)
4、请留意冷却水泵运行方向及水塔风机是否逆转(如水泵是三相,逆转须将电源相位线中任意二相对换,接妥后再把开关合上即可)。
三、操作顺序
1、首先将总电源开关开启ON位置;
2、开启冷却水塔和冷却水泵开关,此时注意冷却水出入口阀门必须打开(注:风冷式冷冻机无须配备冷却水塔)。
3、再开启冷冻机运行开关,此时冷冻水泵开始运行,请注意冷冻水出入口阀门必须打开,经延时开关延时后压缩机会自动运行,请查视及调节所需温度。
4、关机时,请依相反的顺序操作关机即可。
四、面板示意图及操作说明 
1、开机:
①打开冷冻机电箱内的空气开关;
②按“PUMP”启动键,开启冷冻机,此时冷冻水泵启动;
③按“COMP1”压缩机1键、“COMP2” 压缩机2键开启压缩机(如:只有一台压缩机时,按“COMP2” 压缩机2键无效。)延时后起动压缩机,左上角压缩机运行指示灯绿灯亮起。同时冷却风机运转,(水冷式冷冻机的冷却水塔和冷却水泵在外部控制需预先起动)冷冻机进入运行状态。
2、设定温度调节:PV区为实际温度显示,SV区为设定温度显示。如:开机后SV窗口内设定温度需要调整时按以下顺序:
① 按“SET” 设定键,此时SV窗口内数字闪烁,此时进入设定状态;
②按调整键“UP”、“DOWN”调整到所需要的温度后按“SET”设定键确认即可。
3、关机:按“STOP” 停止键关闭机器。如长时间不使用时,请关闭冷冻机电源并排掉水箱内或壳管式蒸发器内的冷冻介质。
注:能量调节:
①只有1个压缩机时:在升温过程中,当显示温度≥设定温度+温差时自动启动压缩机;在降温过程中,当显示温度<设定温度+温差时自动停止压缩机。
②有2个压缩机时:在升温过程中,当显示温度>设定温度时自动启动1台压缩机,当显示温度≥设定温度+温差时自动启动2台压缩机,在降温过程中,当显示温度<设定温度时,自动停止一台,当显示温度<设定温度-温差时全停止。
五、修改参数操作说明(在正常情况下无需操作此项)
〔1〕通电后,主程序进入工作状态,“PV”区显示实际温度,“SV”区显示设定温度;按“SET”键即可修改当前设定温度,利用“UP”或“DOWN”进行修改,若修改完毕后,按“SET”键确认退出(如内置参数中,“SET”键设定温度功能为“LOC”,锁定则无法修改设定温度参数数值,此时“PV”区显示“LOC” )
〔1〕进入内置参数设定,长按“SET”键5秒钟后,“PV”区显示“LOC”,“SV”区显示并闪烁“0”,按“UP”输入正确密码“38”。此时利用“UP”或“DOWN”滚动查阅当前参数。如须修改参数,按一下“SET”键,用“UP”或“DOWN”进行修改完毕后,再按“SET”键确认;依次进行下一个参数修改,如须退出内置参数设定,长按“SET”键5秒钟,则可退出并保存参数数值或30秒种内不按任何按键,则可自动退出并保存参数数值。
〔1〕若出现故障现象,“PV”区显示“Err”,“SV”区显示故障代码,按一下“RESET”可以消音;故障排除后,再按一下“RESET”键复位后恢复正常运行。(注:如出现出水温度过低故障,须在故障排除后按ON/OFF键重新开启,才能恢复正常运行。)
〔1〕“COMP1”和“COMP2”分别允许压缩机1、压缩机2开启的按键;机组允许开启运行时,“COMP1”和“COMP2”按键才有效。ON/OFF为开关键。
〔1〕“POWER”:电源指示灯;
“RUN”:机组运行状态;
“ERROR”:故障指示灯;
“COMP1”:压缩机1运行状态;
“COMP2”:压缩机2运行状态;
六、参数设置表
|
序号 |
显示 |
功能内容 |
最低及最高设置范围 |
出厂设定 |
说明 |
|
1 |
LOC |
进入内置参数密码 |
0~255 |
0 |
密码“38” |
|
2 |
SEt |
设置设定温度功能健是否锁定 |
ON……LOc |
ON |
ON=不锁,LOC=锁定 |
|
3 |
SPH |
锁定最高温度设定点 |
SPL……100℃ |
35 |
锁定上限设置,允许最高设置SPH |
|
4 |
SPL |
锁定最低温度设定点 |
-30℃……SPH |
2 |
锁定下限设置,允许最低设置SPL |
|
5 |
Adj |
主控传感器温度偏差校正 |
-10.0℃……10.0℃ |
0 |
正数升高温度,负数降低温度 |
|
6 |
S2 |
水温度过低保护 |
第二控头-30℃……100℃ |
1℃ |
出水温度过低保护(温度<此设定值,报警>) |
|
7 |
T2 |
防冻感温棒设定 |
y:要 / n:不要 |
y:要 |
选择 y(要)时,S2有效,防冻探头有效,相关报警有效;选择n(不要)时,S2无效,相关报警无效 |
|
8 |
Hy1 |
1号机回差温度 |
0.1℃……50.0℃ |
2℃ |
1号机回差温度 |
|
9 |
Hy2 |
2号机回差温度 |
0.1℃……50.0℃ |
1℃ |
2号机回差温度 |
|
10 |
Cot |
压缩机防频繁启动延时 |
压缩机延时0~255秒 |
60 |
压缩机防频繁启动延时 |
|
11 |
PUP |
压缩机个数 |
1~2 |
2 |
压缩机个数 |
|
12 |
AL |
故障报警 |
报警方式0~1 |
0 |
报警输出方式选择 |
|
13 |
Pon |
上电模式选择 |
上电模式0~2 |
2 |
来电启动选择 |
|
14 |
Ltd |
冷冻泵延时关闭时间 |
冷冻泵启动延时0~255秒 |
5 |
冷冻水泵延时关机时间 |
|
15 |
Fot |
冷却泵/风机延时关闭时间 |
冷却泵风机延时0~255秒 |
5 |
冷却泵/风机延时关闭时间 |
|
16 |
Fpt |
冷却泵/风机提前启动时间 |
冷却泵风机延时0~255秒 |
5 |
冷却泵/风机提前启动时间 |
|
17 |
Cpt |
冷冻泵水流不足延时 备用 |
冷却泵停止延时0~255秒 |
5 |
冷冻泵水流不足延时 备 用 |
|
18 |
Fnt |
冷却泵/风机水流不足延时 备 用 |
风机泵延时停止0~255秒 |
5 |
冷却泵/风机水流不足延时 备 用 |
|
19 |
Jot |
一般故障检测延时 |
一般故障延时0~255秒 |
5 |
一般故障延时停止 |
|
20 |
Et |
错相检测延时 |
错相延时0~255秒 |
1 |
错相检测延时 |
|
21 |
PLt |
机组启动后延时 |
机组启动后延时0~255秒 |
5 |
机组启动后延时检测水流不足时间设置 |
|
22 |
FAn |
机型选项(ON:水冷,OFF:风冷) |
冷却泵ON~OFF |
OFF |
机型选项(ON:水冷,OFF:风冷) |
|
23 |
Abc |
电源故障 |
错相NO~NC |
NO |
机位检测常开或常闭设置(NC:常闭, NO:常开) |
|
24 |
CPH1 |
1号机高压 |
1号机高压NO~NC |
NO |
压缩机高压(NC:常闭, NO:常开) |
|
25 |
CPL1 |
1号机低压 |
1号机低压NO~NC |
NO |
压缩机低压(NC:常闭, NO:常开) |
|
26 |
CO1 |
1号机故障超载 |
1号机超载NO~NC |
NO |
压缩机超载(NC:常闭, NO:常开) |
|
27 |
CPH2 |
2号机高压 |
2号机高压NO~NC |
NO |
2号机高压(NC:常闭, NO:常开) |
|
28 |
CPL2 |
2号机低压 |
2号机低压NO~NC |
NO |
2号机低压(NC:常闭, NO:常开) |
|
29 |
CO2 |
2号机故障超载 |
2号机超载NO~NC |
NO |
2号机超载(NC:常闭, NO:常开) |
|
30 |
POL |
冷冻水泵水压过低 |
冷冻水泵水压过低NO~NC |
NO |
冷冻泵水压过低(NC:常闭, NO:常开) |
|
31 |
PO |
冷冻泵超载 |
冷冻泵超载NO~NC |
NO |
冷冻泵超载(NC:常闭, NO:常开) |
|
32 |
FL |
冷却水压过低 |
冷却泵水压过低NO~NC |
NO |
冷却水压过低/冷却风机过热/线控开关 |
|
33 |
FO |
冷却泵超载 |
冷却泵超载NO~NC |
NO |
冷冻水泵超载/冷却风机超载 |
|
34 |
Lt |
防冻 |
防冻NO~NC |
NO |
防冻开关(NC:常闭, NO:常开) |
|
35 |
」O |
线控 |
线控OFF:NO NC |
OFF |
NC=拔动,NO=点动,OFF=关闭线控 |
七、故障代码说明
|
故障序号 |
PV显示 |
SV显示 |
故障名称 |
说明 |
|
1 |
Err |
01 |
错相保护故障 |
三相电源故障(错相/漏相/逆相) |
|
2 |
Err |
02 |
1号压缩机高压 |
停1号压缩机 |
|
3 |
Err |
03 |
1号压缩机低压 |
停1号压缩机 |
|
4 |
Err |
04 |
1号压缩机超载 |
停1号压缩机 |
|
5 |
Err |
05 |
2号压缩机高压 |
停2号压缩机 |
|
6 |
Err |
06 |
2号压缩机低压 |
停2号压缩机 |
|
7 |
Err |
07 |
2号压缩机超载 |
停2号压缩机 |
|
8 |
Err |
08 |
冷冻水泵过低 |
冷冻泵水量不足(停机组) |
|
9 |
Err |
09 |
冷冻水泵超载 |
冷冻泵负荷太大(停机组) |
|
10 |
Err |
10 |
冷却水压过低(风机过热) |
冷却泵水量不足 |
|
11 |
Err |
11 |
冷却水泵超载(风机超载) |
冷却泵负荷太大 |
|
12 |
Err |
12 |
冷冻水温度低于S2所设定的温度 |
停机组 |
|
13 |
Er1 |
LLL |
出水探头开路 |
停机组 |
|
14 |
Er1 |
HHH |
出水探头短路 |
停机组 |
|
15 |
Err |
15 |
防冻故障 |
停机组 |
|
16 |
Er2 |
LLL |
防冻探头开路 |
停机组 |
|
17 |
Er2 |
HHH |
防冻探头短路 |
停机组 |
八、操作注意事项
1、冷冻水泵不可在水箱内无水的情况下运转;(7.5HP以上机型,水箱内装有水位保护,当水位太低时或水箱内无水时,水泵会自动停止运行,并显示水位故障代码及警号。)
2、操作开关请尽量避免连续切换;
3、冷冻水温度达到设定温度时,压缩机会自动停止运行,此属正常现象;
4、温度开关应避免设定在5℃以下,防止蒸发器结冰;(低温冷冻机除外)
5、为确保制冷效果,保持最佳状态,请定期清洗冷凝器、蒸发器及水过滤器。
注:如出现故障报警请立即关机,按第七项和第十项所列方法排出故障后方可开机。或及时通知维修人员处理。
附注(一):
散热不良及处理方法
当冷凝器散热不良时,压缩机效率低,运转电流提高,当风冷式高压压力升至24kg/cm2 ,水冷式高压压力升至20kg/cm2,压缩机受高压开关保护跳脱,压缩机停止运转,散热不良高压超载并显示故障代码或故障指示,此时请检视冷却塔循环水是否正常,冷却水温是否过高,冷却塔风扇、水泵是否运转,冷却水阀门是否完全打开(风冷式请检查散热器是否脏堵),以上正常后再按复位按扭(REST)或关机重启即可正常运转。如经常出现高压超载情况,请尽快安排清洗冷凝器。
附注(二)
冷媒不足低压处理方法:
1、当水温在5℃以上时,低压表压力显示低于2k g/cm2时,即表示冷媒不足,先将漏冷媒的地方进行补漏处理再更换干燥过滤器重新抽真空,充适当冷媒。
2、当发现漏冷媒部分浸于水中,请立即停止冷冻机运行,速将水箱内水排除掉,尽快通知公司派人员处理维修,以免压缩机将水吸入系统中造成更严重损坏。
附注(三)
高低压是否正常
水冷式压缩机正常运行时高压压力显示12.5~15k g/cm2为最佳,(风冷式14~17k g/cm2为最佳)但不得高于19.5k g/cm2,当水冷式压力高于19.5kg/cm2,风冷式压力高于24k g/cm2时,高压开关跳脱请依附注(一)处理,低压以3.1~4.5k g/cm2为最佳,但不得低于2k g/cm2,低于2k g/cm2低压跳脱请依附注(二)处理。
附注(四):
当故障指示灯及保护开关全部正常时,压缩机不能启动,请检查:
1、温度开关是否调得太高,或损坏;
2、切换开关是否损坏;
3、防冻开关是否损坏;
4、压力开关是否跳脱或损坏;
5、压缩机超载保护器是否损坏或跳脱;
6、电磁继电器线圈是否损坏及超载保护器是否损坏;
7、水箱内是否液位过低;
8、请检查冷冻水水流量开关是否损坏;
注:以上控制开关或线路有故障即压缩机就不能运转。
九、维护与保养
1、定期清洗冷凝器、蒸发器,使整机保持良好运转;
2、保持冷却塔清洁干净,定期清洗,冷却塔内不得有杂物及其它障碍物;
3、风冷式冷冻机请保持散热器表面清洁干净,并定期清洗,使机器保持良好的性能。
十、故障排除方法:
|
状 态 |
原 因 |
故障排除 |
|
电源正常 |
①保险丝熔断 ②逆向继电器故障 |
①更换备用保险丝 ②更换逆向继电器 |
|
电源开关跳脱 |
①电源负载线路接地或短路 |
①换新处理 ②检查后,如确定故障,更换或修理 |
|
逆相 |
①泵浦、压缩机及风扇逆转 ②缺相 |
①将电源相线中任意两相调换 |
|
散热不良 |
①高压开关跳脱 |
①清洁冷凝器,空气保持40℃以下,请依照附注〈一〉处理 |
|
冷媒不足 |
①冷媒不足低压跳脱 |
①依附注﹤二﹥处理 |
|
超载 |
①电压异常; |
①三相电源压降或电压不稳及缺相,请调整电压及查缺相原因; |
|
故障指示未亮但压缩机无法运转 |
保护装置跳脱 |
请依附注四处理 |
|
冰水槽水不冷 |
①容量不足; |
①加大主机容量; |
|
缺水 |
①水箱内水量不足; |
①往水箱里加水; |
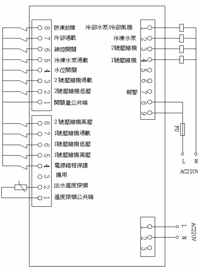
十一、电器连接示意图

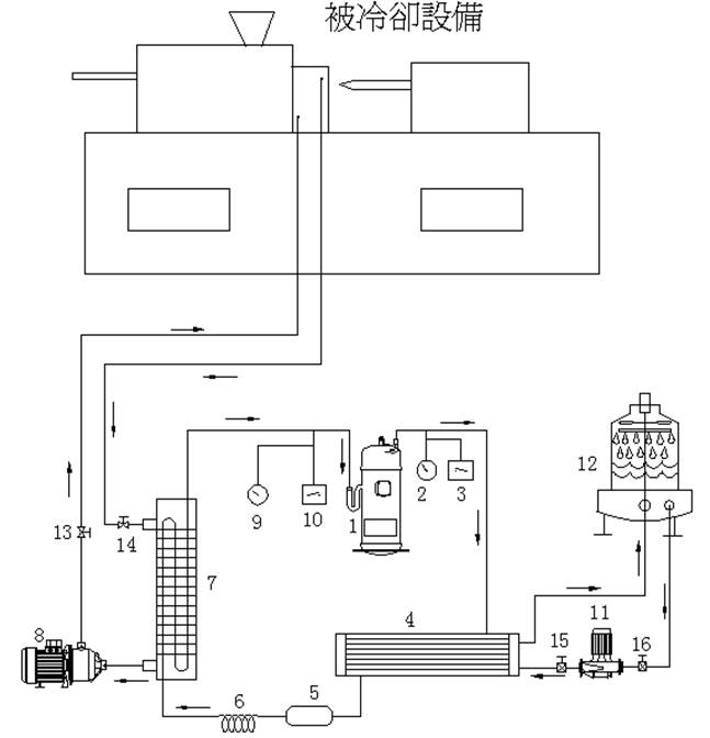
十二、风冷式冷冻机内部结构示图
|
1.压缩机 |
7.毛细管(膨胀阀) |
|
2.高压表 |
8.蒸发器 |
|
3.高压保护器 |
9.水泵 |
|
4.冷凝器 |
10.低压表 |
|
5.冷却风机 |
11.低压保护器 |
|
6.干燥过虑器 |
12.水路阀门开关 |
十三、水冷式冷冻机内部结构示意图
|
1.压缩机 |
8.冷冻水泵 |
|
2.高压表 |
9.低压表 |
|
3.高压保护器 |
10.低压保护器 |
|
4.冷凝器 |
11.冷却水泵 |
|
5.干燥过虑器 |
12.冷却水塔 |
|
6.毛细管(膨胀阀) |
13、14、15、16.水路阀门开关 |
|
7.蒸发器 |
|
十四、风冷式91视频黄片软件安装示意图
十五、水冷式91视频黄片软件安装示意图

