(康龙温控)2010-0591视频黄片软件中文说明
时间:2010-09-03 浏览量:645684 来源:91视频免费观看" target="_blank">91视频免费观看 编辑:admin
目 录
一、安装要求……………………………………………………………………………………………………..1
二、开机准备……………………………………………………………………………………………………..1
三、操作顺序……………………………………………………………………………………………………..2
四、面板示意图及操作说明…………………………………………………………………………………….2
五、修改参数操作说明………………………………………………………………………………………...3
六、参数设置表…………………………………………………………………………………………………..5
七、故障代码说明………………………………………………………………………………………………..6
八、操作注意事项………………………………………………………………………………………………..6
九、维护与保养…………………………………………………………………………………………………..8
十、故障排除方法………………………………………………………………………………………………..9
十一、电器连接示意图…………………………………………………………………………………………10
十二、风冷式冷冻机内部结构示图…………………………………… ……………………………………11
十三、水冷式冷冻机内部结构示意图………………………………… …………………………………..12
十四、风冷式91视频黄片软件安装示意图……………………………………………………………………………13
十五、水冷式91视频黄片软件安装示意图……………………………………………………………………………14
感谢您选用了“91视频免费观看”冷冻机,为了您能正确高效的使用,请详细阅读说明书。
一、安装要求:
1、冷冻机安装前请选择地基平稳,四周空旷,畅通及避免腐蚀、污染、日晒、雨淋,方便安装维修之场所;
2、根据冷冻机制冷量选用匹配的冷却水塔。91视频黄片软件管路配管,请根据机身喉尺寸进行安装,切勿将冷却水管尺寸缩小,这样会引起高压超载,影响制冷效果及增加耗电量;
3、风冷式冷冻机请必须安装在距离墙壁一米以上空间位置,以免造成散热不良引起高压超载影响制冷效果及增加耗电量。
注:(1)电源负载及接地部分,请依照相关法规施工!
(2)新安装的冷冻机冷冻水管必须包保温层!
二、开机准备
首次运转冷冻机必须先检查下列事项是否正确:
1、电源电压及相数是否符合型号规格,请对照铭牌所示。[注3HP以上冷冻机
电源是采用三相五线,电压380~415V/50HZ电源相位线分别为R、S、T,中性线(零线)N,接地导线为双色线用E表示;机内设有错缺相保护器,当在第一次开机时出现不亮灯或亮红灯并显示故障代码及警号时,可将相线任意两相对换接妥后合上开关即可;3HP以下冷冻机采用单相电源,电压220-240V/50HZ电源相位线为L,中线为N,地线为E。]
2、冷冻水喉及冷却循环水喉是否接通管路,并保持阀门打开;(请参考安装示意图)
3、先将冷冻水箱加满水或其它冷冻介质后方可启动水泵;(注:请根据要求来配用冷冻介质)
4、请留意冷却水泵运行方向及水塔风机是否逆转(如水泵是三相,逆转须将电源相位线中任意二相对换,接妥后再把开关合上即可)。
三、操作顺序
1、首先将总电源开关开启ON位置;
2、开启冷却水塔和冷却水泵开关,此时注意冷却水出入口阀门必须打开(注:风冷式冷冻机无须配备冷却水塔)。
3、再开启冷冻机启停开关,此时冷冻水泵开始运行,请注意冷冻水出入口阀门必须打开,经延时开关延时后压缩机会自动运行,请查视及调节所需温度。
4、关机时,请依相反的顺序操作关机即可。
四、面板示意图及操作说明 
1、开机:
①打开冷冻机电箱内的空气开关;
②按“ON/OFF”启停键,开启冷冻机,此时冷冻水泵启,风机启动(风冷式),压缩机延时启动。
③开机状态下,水泵运行;开机状态下,当测量温度≥温度设定值+温度回差时,系统进入制冷模式并开启压缩机制冷。当测量温度≤温度设定值时,系统返回待机状态并关闭压缩机。
2、设定温度调节:PV区为实际温度显示,SV区为设定温度显示。如:开机后SV窗口内设定温度需要调整时按以下顺序:
按加减键进入设定温度设定,设置完成后按开机键退出。
长按设定键“SET”3秒进入回差温度设定,使用设置键选择需要修改的参数,然后使用加减键调节对应参数的大小,设置完成后按开机键退出。
3、关机:按“ON/OFF” 启停键关闭机器。如长时间不使用时,请关闭冷冻机电源并排掉水箱内或壳管式蒸发器内的冷冻介质。
五、修改参数操作说明(在正常情况下无需操作此项)
1、设定温度调节:PV区为实际温度显示,SV区为设定温度显示。如:开机后SV窗口内设定温度需要调整时按以下顺序:
按加减键进入设定温度设定,设置完成后按开机键退出。
长按“SET” 设定键3秒进入回差温度设定,使用设置键选择需要修改的参数,然后使用加减键调节对应参数的大小,设置完成后按开机键退出。
2、若出现故障现象,“PV”区显示故障代码,按“ON/OFF”启停键停机,故障排除后,再按一下“ON/OFF”启停键后恢复正常运行。
3、“POWER”:电源指示灯;
“COMP”:压缩机运行状态;
“PUMP”:水泵运行状态;
“ERROR”:故障指示灯;
“ON/OFF”:机组启停键;
“RUN”:机组运行状态;
六、参数设置
厂家参数设定:在上电后20秒内同时长按加减键3秒后进入厂家参数设置。使用设置键选择需要修改的参数,然后使用加减键调节对应参数,设置完成之后按开机键退出(设置的参数参考下表)。
|
代号 |
意义 |
设置范围 |
默认值 |
|
用户参数菜单 |
|||
|
|
温度设定值 |
-30℃~90℃ |
20℃ |
|
F01 |
回差设定值 |
0.1℃~10.0℃ |
3℃ |
|
管理者参数菜单 |
|||
|
F02 |
温度校正 |
-10℃~10℃ |
0℃ |
|
F03 |
温度设定值下限 |
-20℃~10℃ |
|
|
F04 |
压缩机起动延时 |
1~20分钟 |
3分钟 |
|
F05 |
E3压缩机高压保护延时 |
0~180秒 |
60秒 |
|
F06 |
E4压缩机低压保护延时 |
0~180秒 |
60秒 |
|
F07 |
E5保护延时 |
0~180秒 |
60秒 |
|
F08 |
E6保护延时 |
0~180秒 |
60秒 |
|
F09 |
E7内置相序保护使能 |
000不使能 001使能 |
000不使能 |
|
F10 |
E2压缩机过载输入类型 |
ON常闭 OFF常开 |
OFF常开 |
|
F11 |
E3压缩机高压输入类型 |
ON常闭OFF常开 |
OFF常开 |
|
F12 |
E4压缩机低压输入类型 |
ON常闭OFF常开 |
OFF常开 |
|
F13 |
E5 保护输入类型 |
ON常闭OFF常开 |
OFF常开 |
|
F14 |
E6自定义保护输入类型 |
ON常闭OFF常开 |
OFF常开 |
|
F15 |
历史故障查询 |
查询0~99小时内出现的故障,P.00表示当前的1小时出现的故障;P.01表示前一个小时内出现的故障。 |
--- |
七、故障代码说明
| 故障代号 |
意义 |
报警方式 |
处理方法 |
消除方式 |
报警有效时间 |
|
E1 |
探头故障 |
数码管显示“E1” |
关闭压缩机和水泵 |
自动恢复 |
任何时候 |
|
E2 |
压缩机过载故障 |
数码管显示“E2” |
关闭压缩机 |
手动清除 |
压缩机开启后 |
|
E3 |
压缩机高压故障 |
数码管显示“E3” |
关闭压缩机 |
手动清除 |
压缩机开启后 |
|
E4 |
压缩机低压故障 |
数码管显示“E4” |
关闭压缩机 |
手动清除 |
压缩机开启后 |
|
E5 |
逆相故障 |
数码管显示“E5” |
关闭压缩机和水泵 |
手动恢复 |
系统开机后 |
|
E6 |
水位故障 |
数码管显示“E6” |
关闭压缩机和水泵 |
手动恢复 |
系统开机后 |
八、操作注意事项
1、冷冻水泵不可在水箱内无水的情况下运转;(7.5HP以上机型,水箱内装有水位保护,当水位太低时或水箱内无水时,水泵会自动停止运行,并显示水位故障代码及警号。)
2、操作开关请尽量避免连续切换;
3、冷冻水温度达到设定温度时,压缩机会自动停止运行,此属正常现象;
4、温度开关应避免设定在5℃以下,防止蒸发器结冰;(低温冷冻机除外)
5、为确保制冷效果,保持最佳状态,请定期清洗冷凝器、蒸发器及水过滤器。
注:如出现故障报警请立即关机,按第七项和第十项所列方法排出故障后方可开机。或及时通知维修人员处理。
附注(一):
散热不良及处理方法
当冷凝器散热不良时,压缩机效率低,运转电流提高,当风冷式高压压力升至24kg/cm2 ,水冷式高压压力升至20kg/cm2,压缩机受高压开关保护跳脱,压缩机停止运转,散热不良高压超载并显示故障代码或故障指示,此时请检视冷却塔循环水是否正常,冷却水温是否过高,冷却塔风扇、水泵是否运转,冷却水阀门是否完全打开(风冷式请检查散热器是否脏堵),以上正常后关机重启即可正常运转。如经常出现高压超载情况,请尽快安排清洗冷凝器。
附注(二)
冷媒不足低压处理方法:
1、当水温在5℃以上时,低压表压力显示低于2k g/cm2时,即表示冷媒不足,先将漏冷媒的地方进行补漏处理再更换干燥过滤器重新抽真空,充适当冷媒。
2、当发现漏冷媒部分浸于水中,请立即停止冷冻机运行,速将水箱内水排除掉,尽快通知公司派人员处理维修,以免压缩机将水吸入系统中造成更严重损坏。
附注(三)
高低压是否正常
水冷式压缩机正常运行时高压压力显示12.5~15k g/cm2为最佳,(风冷式14~17k g/cm2为最佳)但不得高于19.5k g/cm2,当水冷式压力高于19.5kg/cm2,风冷式压力高于24k g/cm2时,高压开关跳脱请依附注(一)处理,低压以3.1~4.5k g/cm2为最佳,但不得低于2k g/cm2,低于2k g/cm2低压跳脱请依附注(二)处理。
当压缩机运行时高压和低压两者压差极少或相等时,即表示压缩机本身阀片破损和断裂,请立即停止运转并通知公司派人处理。请注意以上状况是当压缩机运行时,如没有运行高低压平衡仍属正常状况。
附注(四):
当故障指示灯及保护开关全部正常时,压缩机不能启动,请检查:
1、温度开关是否调得太高,或损坏;
2、切换开关是否损坏;
3、防冻开关是否损坏;
4、压力开关是否跳脱或损坏;
5、压缩机超载保护器是否损坏或跳脱;
6、电磁继电器线圈是否损坏及超载保护器是否损坏;
7、水箱内是否液位过低;
8、请检查冷冻水水流量开关是否损坏;
注:以上控制开关或线路有故障即压缩机就不能运转。
九、维护与保养
1、定期清洗冷凝器、蒸发器,使整机保持良好运转;
2、保持冷却塔清洁干净,定期清洗,冷却塔内不得有杂物及其它障碍物;
3、风冷式冷冻机请保持散热器表面清洁干净,并定期清洗,使机器保持良好的性能。
十、故障排除方法:
| 状 态 |
原 因 |
故障排除 |
|
电源正常 |
①保险丝熔断 ②逆向继电器故障 |
①更换备用保险丝 ②更换逆向继电器 |
|
电源开关跳脱 |
①电源负载线路接地或短路 |
①换新处理 ②检查后,如确定故障,更换或修理 |
|
逆相 |
①泵浦、压缩机及风扇逆转 ②缺相 |
①将电源相线中任意两相调换 |
|
散热不良 |
①高压开关跳脱 |
①清洁冷凝器,空气保持40℃以下,请依照附注〈一〉处理 |
|
冷媒不足 |
①冷媒不足低压跳脱 |
①依附注﹤二﹥处理 |
|
超载 |
①电压异常; |
①三相电源压降或电压不稳及缺相,请调整电压及查缺相原因; |
|
故障指示未亮但压缩机无法运转 |
保护装置跳脱 |
请依附注四处理 |
|
冰水槽水不冷 |
①容量不足; |
①加大主机容量; |
|
缺水 |
①水箱内水量不足; |
①往水箱里加水; |
十一、电器连接示意图
十二、风冷式冷冻机内部结构示图

|
1.压缩机 |
7.毛细管(膨胀阀) |
|
2.高压表 |
8.蒸发器 |
|
3.高压保护器 |
9.水泵 |
|
4.冷凝器 |
10.低压表 |
|
5.冷却风机 |
11.低压保护器 |
|
6.干燥过虑器 |
12.水路阀门开关 |
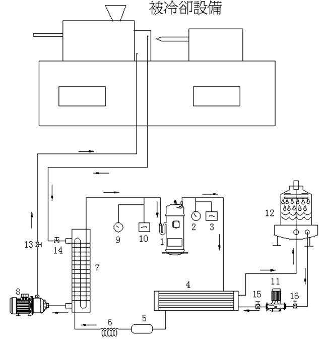
十三、水冷式冷冻机内部结构示意图

|
1.压缩机 |
8.冷冻水泵 |
|
2.高压表 |
9.低压表 |
|
3.高压保护器 |
10.低压保护器 |
|
4.冷凝器 |
11.冷却水泵 |
|
5.干燥过虑器 |
12.冷却水塔 |
|
6.毛细管(膨胀阀) |
13、水路阀门开关 |
|
7.蒸发器 |
|
十四、风冷式91视频黄片软件安装示意图
十五、水冷式91视频黄片软件安装示意图


